气动香蕉小视频(亦称耐腐蚀气动蝶阀)是由气动活塞式执行器及四氟密封蝶阀组成。适用于温度≤200℃,有腐蚀性或洁净度有一定要求工况,气动香蕉小视频是在过流部件、阀体、蝶板、阀杆上采用衬里技术衬里较厚的高分子材料,防腐蚀性能优良,可适用于任何浓度的酸、碱、盐及氧化剂、还原剂、有机溶剂等介质,气动香蕉小视频是化工、石油、医药、食品、钢铁冶炼、造纸、水电等系统的气体、液体、半流体的管路和容器上作截流和调节设备使用的理想产品。全衬聚四氟乙烯(F4)和聚全氟乙丙烯(F46)氟塑料衬里阀,具有耐腐蚀、无泄漏、寿命长等优点。耐腐蚀气动蝶阀适用于浓硫酸、盐酸、硝酸、氢氟酸、王水、各种有机酸、强酸、氧化性介质或高温烯硫酸、高温浓醋酸、酸碱交替及多种有机溶剂和其它强腐蚀性介质。
气动香蕉小视频 主要特点
1、体积小、重量轻、操作轻巧、便于安装、维修。
2、密封性能优良可靠、零泄漏,使用寿命长。
3、流量特性趋于直线,调节性能优。
4、结构简单,开关迅速,90°旋转启闭。
5、可代替闸阀、截止阀、旋塞阀、胶管阀及隔膜阀等各种阀门的使用。
6、可根据用户要求配置气动、电动装置,满足遥控和程控的需要。
7、更换零件衬里材质可适用于各种介质。
气动香蕉小视频 主要技术参数
阀体
|
阀体形式 |
直通铸造蝶阀 |
|
公称通径 |
DN50~1000mm |
|
公称压力 |
PN1.0、1.6 MPa |
|
法兰标准 |
JIS B220、JB/T79、ANSI B16.5-1981、GB/T9113、HG20594-97、HG20618-97等 |
|
连接形式 |
法兰式、对夹式 |
|
阀盖形式 |
一体式 |
|
压盖型式 |
压盖压紧式 |
|
密封填料 |
V型聚四氟乙烯填料、柔性石墨填料 |
阀内件
|
阀板形式 |
垂直板式(蝶形) |
|
流量特性 |
线性 |
执行机构
|
执行器型号 |
GT系列、ST系列、AT系列、AW系列单双作用气动执行器 |
|
供气压力 |
400~700KPa |
|
气源接口 |
G1/4"、G1/8"、G3/8"、G1/2" |
|
环境温度 |
-30~+70℃ |
|
作用形式 |
单作用执行机构:气关式(B)--失气时阀位开(FO);气开式(K)--失气时阀位关(FC) |
|
可配附件 |
定位器、电磁阀、空气过滤减压器、保位阀、行程开关、阀位传送器、手轮机构等 |
注:如需详细执行器参数,请进入气动执行器页面进行查阅。
气动香蕉小视频 主要零件材料
|
阀体、底座 |
球墨铸钢、铸钢、不锈钢、全衬氟 |
|
蝶板 |
灰铸铁、球墨铸钢、铸钢、不锈钢及特殊材料、全衬氟 |
|
密封圈 |
各种橡胶、聚四氟 |
|
阀杆 |
2Cr13、不锈钢、全衬氟 |
|
填料 |
V型聚四氟乙烯填料、柔性石墨填料 |
气动香蕉小视频 主要性能指标
|
回差 |
带定位器:小于全行程的2% |
|
基本误差 |
带定位器:小于全行程的±2% |
|
泄露量l / h |
符合ANSI B16.104 IV级标准 |
|
可调范围R |
50:1 |
气动香蕉小视频 主要性能规范
|
公称通径DN(mm) |
50-1800 |
|||
|
公称压力 |
PN(MPa) |
0.6 |
1.0 |
1.6 |
|
试验压力 |
强度试验 |
0.9 |
1.5 |
2.4 |
|
密封试验 |
0.66 |
1.1 |
1.76 |
|
|
低压气密试验 |
0.6 |
0.6 |
0.6 |
|
|
适用介质 |
空气、水、污水、蒸气、煤气、油品等 |
|||

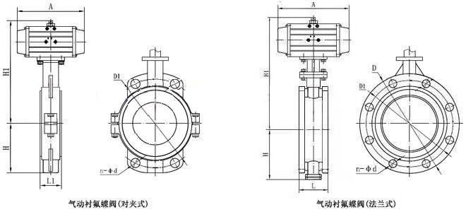
气动香蕉小视频 主要外形尺寸
|
公称通径 DN(mm) |
50 |
65 |
80 |
100 |
125 |
150 |
200 |
250 |
300 |
350 |
400 |
450 |
500 |
600 |
700 |
800 |
900 |
1000 |
|
|
L |
90 |
90 |
100 |
115 |
130 |
140 |
150 |
250 |
270 |
290 |
310 |
330 |
350 |
390 |
430 |
470 |
500 |
550 |
|
|
L1 |
43 |
46 |
49 |
56 |
64 |
70 |
71 |
76 |
83 |
92 |
102 |
113 |
127 |
154 |
165 |
190 |
203 |
216 |
|
|
H |
法兰式 |
63 |
70 |
83 |
105 |
115 |
137 |
164 |
206 |
230 |
248 |
289 |
320 |
343 |
413 |
478 |
525 |
585 |
640 |
|
对夹式 |
63 |
70 |
83 |
105 |
115 |
137 |
164 |
206 |
230 |
248 |
289 |
320 |
343 |
413 |
478 |
525 |
585 |
640 |
|
|
n-φd |
4-18 |
4-18 |
8-18 |
8-18 |
8-18 |
8-22 |
12-22 |
12-26 |
12-26 |
16-26 |
16-30 |
20-30 |
20-33 |
20-36 |
24-36 |
24-39 |
28-39 |
28-42 |
|
|
H1 |
根据所配执行机构而定 |
||||||||||||||||||
|
A |
根据阀门所需力矩而定,配置机型不同,外形尺寸也不相同 |
||||||||||||||||||
|
D |
165 |
185 |
200 |
220 |
250 |
285 |
340 |
405 |
460 |
520 |
580 |
640 |
715 |
840 |
910 |
1025 |
1125 |
1255 |
|
|
D1 |
125 |
145 |
160 |
180 |
210 |
240 |
295 |
355 |
410 |
470 |
525 |
585 |
650 |
770 |
840 |
950 |
1050 |
1170 |
|

